2026-04-23 18:03:11 行业资讯 2
激光器,飞秒激光器,脉冲激光器, 宽带超短激光脉冲是光学相干层析成像、强场物理、阿秒科学等前沿领域的核心工具,其时域波形的精准完整表征是其应用的关键前提。高功率激光物理联合实验室朱健强团队提出Spectral Correction and Trace Truncation(SCTT)方法—结合光谱滤波函数对测量迹线的校正效果,与多网格并行叠层成像算法对不完整迹线的脉冲重建能力,通过“光谱校正-裁剪重建”两步操作,实现了对超宽带脉冲的精准反演,为超宽带激光脉冲的精准表征提供了全新路径。
科研进展
“光谱校正-裁剪重建”两步策略实现超宽带激光脉冲的精准反演
宽带超短激光脉冲是光学相干层析成像、强场物理、阿秒科学等前沿领域的核心工具,其时域波形的精准完整表征是其应用的关键前提。高功率激光物理联合实验室朱健强团队提出Spectral Correction and Trace Truncation(SCTT)方法—结合光谱滤波函数对测量迹线的校正效果,与多网格并行叠层成像算法对不完整迹线的脉冲重建能力,通过“光谱校正-裁剪重建”两步操作,实现了对超宽带脉冲的精准反演,为超宽带激光脉冲的精准表征提供了全新路径。相关成果发表于Optics and Lasers in Engineering 。

Fusion-XGBNet模型实现激光焊接熔深状态多传感融合精准识别
激光焊接过程中的熔深状态监测已成为保障结构安全与服役性能的关键环节。为提升在线精准识别能力,高端光电装备部激光智能制造技术研发中心杨上陆团队构建了一套多传感融合监测平台,同步采集焊接过程中的声信号、等离子体光谱信号及熔池图像信号,建立了涵盖四类熔深状态的多模态数据集。在此基础上,创新性提出一种神经网络(NN)与极端梯度提升(XGBoost)相结合的混合模型框架(Fusion-XGBNet)。该模型利用神经网络实现原始多源数据的自动特征提取与深度融合,并引入XGBoost模型对融合特征进行高效判别,最终通过自适应策略实现双模型输出协同决策,突破了传统方法对人工特征工程的依赖。相关成果发表在Optics & Laser Technology 。

退火工艺实现VO2薄膜可控制备与中红外光调制性能大幅提升
在激光防护应用领域,Vanadium dioxide(VO2)存在常温相透过率不高和高低温调节比不足等问题。光电前沿交叉部研究王俊团队提出了磁控溅射结合后退火的制备工艺,成功实现了VO2(M1)薄膜的可控制备与性能优化。经退火优化后,薄膜在中红外波段(3.8 μm)激光诱导光调制深度是退火前的3倍,在中红外波段热诱导光调制能力达退火前的12.5倍,退火工艺通过促进晶粒择优生长与氧空位修复,有效解决了VO2薄膜相纯度控制与缺陷态调控难题。所获薄膜在中红外波段具有调制深度大、常温透过率高等优势,可为新一代宽谱激光防护器件发展提供材料基础与技术支撑。相关成果发表在RSC Advances 。

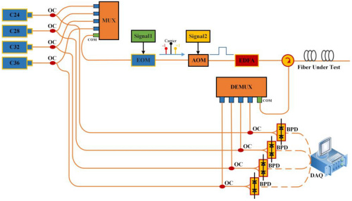
波长-频率-时间-空间分集级联技术实现Φ-OTDR长距离高信噪比探测
相位敏感光时域反射(Φ-OTDR)技术因其高灵敏度、大范围组网能力,在海洋声学、地球物理勘探、周界安防等领域具有广阔应用前景。然而,传统系统受限于微弱瑞利背向散射、光纤传输损耗、干涉衰落以及非线性效应等因素,难以兼顾长距离传输与高信噪比探测。针对上述挑战,空天激光技术与系统部高侃、王照勇团队创新性地将波长、频率、时间和空间四种分集技术进行级联,在不显著增加硬件复杂度的前提下,实现了1440级的大规模分集合并。实验结果表明,该系统在20 km传感距离上实现了-77.4 dB@500 Hz的平均底噪,相比传统Φ-OTDR系统,信噪比提升了28.5 dB,同时,系统成功解调了70.63 km处的100 Hz外部扰动信号。该技术为构建高性能、长距离的分布式声波传感系统提供了有效技术路径,有望推动其在海洋安全监测、地质资源勘探等领域的应用。相关成果发表在Optics Express 。

高重频高峰值长波红外激光输出与少周期量级高精度表征
目前长波红外激光面临高重频与高峰值强度难以兼顾的瓶颈,且因缺乏高灵敏度探测器,其空间与时域信息精确测量存在技术难点。对此,超强激光科学与技术全国重点实验室宋立伟和田野研究员团队成功实现了高重频、高峰值功率、可调谐长波红外激光脉冲输出。该光源在实现50 kHz高重复频率的同时,于10 μm处获得121 fs的脉冲宽度和14.8 MV/cm的峰值场强及覆盖-12.5 μm调谐范围、平均功率约12 mW的长波红外激光输出。在脉冲表征方面,团队提出一种基于硅薄膜四波混频的非线性光学成像方法,利用硅基探测器实现了以往难以直接测量的高精度诊断。结合二维光谱成像与互相关频率分辨光学开关(XFROG)技术,团队成功实现了对121 fs脉冲宽度、对应频谱宽度及相位分布的精确重构,测量精度达到少周期量级。相关成果发表在Laser & Photonics Reviews 。
参考文献: 中国光学期刊网 您好,可以免费咨询技术客服[Daisy] 欢迎大家给我们留言,私信我们会详细解答,分享产品链接给您。 免责声明: 资讯内容来源于互联网,不代表本网站及新媒体平台赞同其观点和对其真实性负责。如对文、图等版权问题存在异议的,请联系我们将协调给予删除处理。行业资讯仅供参考,不存在竞争的经济利益。
