

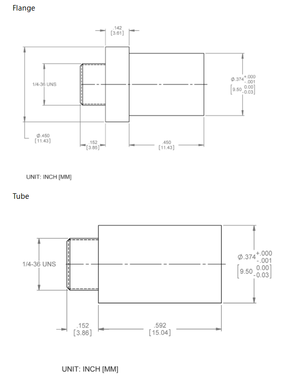
准直透镜将发散光束转换为平行光束。该透镜由熔融石英制成,可在宽光谱范围内使用,包括紫外/可见/近红外(UV/VIS/NIR),可连接到光纤跳线和光纤组件的 SMA 905 接头。当与连接到光源的光纤线一起使用时,可产生平行(准直)光束。当光纤线连接到光谱仪时,可提供较小的接收角和狭窄的视阈。
产品特点宽光谱范围;光束准直;标准接口;材料稳定
型号MP-CLA-SMA-190-2100
应用领域光收集 | 反射率 | 吸收 | 辐照度校准(在适当配置下)
产品单价联系客服询价
到货日期请咨询客服获得货期
产品库存请咨询客服
Sherry
电话:16628709332
邮箱:moli@microphotons.com

无
无


波长/光谱范围 | 190 - 2100 nm |
透镜材料 | Fused silica |
焦距 | 9 mm |
透镜有效孔径 | 6 mm |
有效光圈 | 4 mm with NA 0.22 single core fiber |
工作温度 | 0 - 70oC |
湿度范围 | 0 - 85% RH Non Condensing |
透射/吸收实验装置:

无
产品询价
输入您的联系信息,无需登录/注册即可快速询价,请保持电话畅通。
注意:由此处提交的询价单,不会出现在“个人中心”-“我的询价单”列表中。
新品推荐