

BeamOn X 高功率光束质量分析仪是一款结构坚固的测量设备,内置先进的空冷式光束终止系统,工作波长范围为350至1310nm。设备配备用户友好的专用软件,可通过工业计算机或USB接口连接客户电脑实时显示测量结果。系统新增高达每秒700帧的快速刷新率,显著提升了测量速度。同时,新增的多区域主动分割功能支持多光束同步分析速度,提升了系统速度性能,同时新增了多重活跃区域划分,支持多波束分析。
产品特点内置风冷采样器;最小可测量60um的光斑;可精确测量位置和轮廓信息
型号MP-BEAMON-X-HP
应用领域激光材料加工 | 激光器与激光系统制造领域 | 科研与高端应用
产品单价联系客服询价
到货日期请咨询客服获得货期
产品库存请咨询客服
Sherry
电话:16628709332
邮箱:moli@microphotons.com

光谱范围
350-1310nm

参数 | 值 |
光斑大小范围 | Φ60 um - Φ5 mm |
光谱响应范围 | 350-1310nm |
传感器分辨率 | 1280x1024 全局快门 |
功率范围@900/1070nm | 连续激光1-2500 W, 脉冲激光1 -1000 W |
最大功率密度 | 100,000 W/cm2 |
动态范围 | 70 dB,10 位 |
饱和功率密度 | ~1mW/cm², 不加衰减片 |
功率测量 | 需要用户预先选定一个点进行校准 |
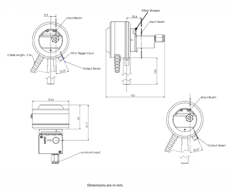
尺寸 | 直径63 mm,长92 mm |
操作环境温度 | 0-35℃ |
重量 | 350g,含数据线 |
接口 | USB 3.0 |
采样器后侧的输出功率 | 输入功率的90%。光斑采样器仅使用激光功率的一 小部分用于传感器测量,剩余的大部分功率将按 图纸中绘出的方向输出。 |
冷却条件 | 6--8 Bar的压缩空气 |
传感器类型 | 1/1.8英寸制式 |
传感器响应区域 | 6.78 (宽) x 5.4 (高) mm(对角8.7 mm) |
像素尺寸 | 5.3 um(水平) x 5.3 um(竖直) |
快门速度 | 9–200,000 us |
最大帧率 | 超过50 Hz |
调零 | 在连续激光测量模式中,可以使用调零功能去除背 景噪声。 |
脉冲激光的测量操作 | 具有捕捉和重放图像及数据的功能,可以在测量慢 速脉冲激光(1~100Hz)时自动过滤掉没有激光脉冲的空白帧。增益控制和外部衰减片可以使其更为方便地获得最优功率密度。 |
触发器 | 硬件下降沿 硬件上升沿 启用/停用延迟触发 触发延迟0.015ms -4.0 sec内可调 |
无
产品询价
输入您的联系信息,无需登录/注册即可快速询价,请保持电话畅通。
注意:由此处提交的询价单,不会出现在“个人中心”-“我的询价单”列表中。
新品推荐