全部分类
FP二极管
DFB二极管
VCSEL二极管
QCL二极管
DBR二极管
ECL二极管
SLD二极管
SOA二极管
脉冲型二极管
LED二极管
其他类型二极管
ICL二极管
相干连续光源
可调谐激光器
光放大器
脉冲光源
非相干光源
其他光源
驱动/安装座
激光配件
光学元件
偏振光学元件
光学系统
光学隔离器
有源光学器件
光学套件
光学元件教程
光纤熔接和处理
光纤和光纤跳线
光纤光机设备
光纤组件
光纤传感器产品
光纤光栅器件
测试和测量设备
光纤实验室用品
光电二极管
电信类探测器
热敏探测器
放大探测器
偏压探测器
平衡光电探测器
雪崩光电探测器
位置传感探测器
单光子探测器
光电倍增模块
跨阻和电压放大器
定制光电探测器
高速探测器
探测器芯片
光功率和能量计
光谱分析仪
波长计
光束特性测量设备
光度计/反射计
激光噪声分析仪
飞秒自相关仪
偏振测量仪
自准直器
表面分析设备
成像系统
相机
镜头
工业计量
光遗传学
显示卡
显微实验用品
观察仪/观察镜
成像组件
光学平台
面包板
光机组件
斩波与快门
运动控制
位移台
光机装置
转轮
套件
常用工具
电信设备
光谱学
量子技术
OEM/制造能力
光学和电子模块
CRDS
TDLAS
分布式光纤传感
太赫兹系统
大型设备/光刻/光栅压印
光电场传感
搜索发现
EOT 太赫兹 VCSEL 光纤定制 光谱仪 TDLAS EDFA 观察镜 超快激光器 红外相机 光束质量分析仪 光谱分析 二极管
在线客服
微信客服
购物车
快速采购
返回顶部
用于635nm波长的脊形波导激光二极管
产品特点高可见度红光;低工作电流;优异的光束质量;紧凑型封装;高可靠性
型号无
应用领域激光测距与水准仪 | 光学测量与对准系统 | 生物医学与荧光激发 | 条码扫描与数据采集
产品单价联系客服询价
到货日期请咨询客服获得货期
产品库存请咨询客服
Daisy
电话:18602170419
邮箱:moli@microphotons.com
加入询价单 立即询价 在线咨询
收藏
相关产品
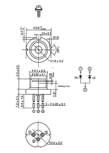
管座 最大电流
TO5,6 130mA
激光器二极管具体数据:
管座
TO5,6
最大电流
130mA
极性
negative
温度
22°C
特性曲线
光谱
无
635nm激光二极管(TO56 最大电流150mA).pdf
产品询价
请在下方输入您的联系信息,无需登录/注册即可快速完成询价,我们会根据您提供的询价信息及时与您取得联系,请保持电话畅通。
*联系人
*手机号
*采购单位
*邮箱
*采购数量
*型号
备注补充
新品推荐
1310/1550nm 高温单模光纤波分复用器(WDM)
一种专门为极端高温环境设计的光纤无源器件,能够在高达 +200°C 至 +300°C 的工作温度下,将1310...
查看详情
1×2(2×2)高温单模宽带分光器
一种专为极端高温环境设计的光纤无源器件,能够在高达 +300°C 的工作温度下,将宽谱光信号按照精确比例进行分...
1×2(2×2)高温单模窄带分光器
一种专为极端高温环境设计的光纤无源器件。它能在高达 +300°C 的工作温度下,将特定窄带波长的光信号按照精确...
1090nm DBR激光二极管
1090 nm DBR 系列高性能边发射激光二极管基于先进的单片单频砷化镓(GaAs)激光技术。该系列激光器可...