

中心波长 光谱宽度
1358.5nm-1361.5nm 3.5nm

通用参数(TLD=25℃,TC=25℃)
项目 | 符号 | 测试条件 | 最小 | 典型 | 最大 | 单位 |
中心波长 | λC | Pf=500mW,RMS(-20dB) | 1358.5 | 1360.0 | 1361.5 | nm |
光谱宽度 | Δλ | Pf=500mW,-10dB | - | - | 3.5 | nm |
阈值电流 | Ith | - | - | - | 180 | mA |
正向电流 | IF | Pf=500mW,BOL | - | - | 1800 | mA |
正向电压 | VF | Pf=500mW,BOL | - | - | 2.2 | V |
监测电流 | Im | Pf=500mW,VRD=5V | 100 | - | 2000 | uA |
PD暗电流 | Id | VRD=5V | - | - | 0.1 | uA |
跟踪误差 | ΔPf | Im=const,Tc=-20~+75℃ | -0.5 | - | 0.5 | dB |
Cooler电压 | VC | IF=EOL*1,TC=70℃ | - | 3.3 | 4.0 | V |
Cooler电流 | IC | IF=EOL*1,TC=70℃ | - | 2.8 | 3.5 | A |
热敏电阻 | Rth | TLD=25℃,B=3900±100K | 9.5 | 10.0 | 10.5 | kΩ |
消光比 | Xp | Pf=500mW | 17 | - | - | dB |
*1 EOL=BOL×1.2
绝对最大值参数
项目 | 符号 | 数值 | 单位 |
LD正向电流 | IF | 2200 | mA |
LD反向电压 | VR | 2 | V |
PD正向电流 | IFD | 10 | mA |
PD反向电压 | VRD | 20 | V |
管壳工作温度 | TC | -20~+70 | ℃ |
存储温度 | Tstg | -40~+85 | ℃ |
Cooler电流 | IC | 5.8 | A |
*超过绝对最大额定值可能导致故障。
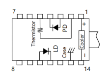
引脚定义
No. | FUNCTION | No | FUNCTION |
|
1 | Cooler anode | 8 | NC | |
2 | Thermistor | 9 | NC | |
3 | PD anode | 10 | LD anode | |
4 | PD cathode | 11 | LD cathode | |
5 | Thermistor | 12 | NC | |
6 | NC | 13 | Case | |
7 | NC | 14 | Cooler cathode |
无
产品询价
输入您的联系信息,无需登录/注册即可快速询价,请保持电话畅通。
注意:由此处提交的询价单,不会出现在“个人中心”-“我的询价单”列表中。
新品推荐