

我们的PL-DFB-1605-A1,1605nm DFB 激光二极管模块是一款经济高效、高相干性的激光源。该 DFB 激光二极管芯片采用行业标准的 14 针蝶形全密封封装,内置 TEC 和 PD。
产品特点窄线宽(< 2MHz);卓越的波长控制和稳定性;行业标准 14 针蝶形封装;无跳模调谐;卓越的可靠性;可提供客户定制波长
型号MP-DFB-1605-15-A81-14BF-PA
应用领域可调谐二极管激光吸收光谱法 | CO2 监测
产品单价联系客服询价
到货日期请咨询客服获得货期
产品库存请咨询客服
Sherry
电话:16628709332
邮箱:moli@microphotons.com

中心波长
1605nm

激光器规格
电气/光学特性(Tsub=25°C,CW 偏置,除非另有说明)
参数 | 符号 | 最小值 | 典型值 | 最大值 | 单位 |
中心波长 | λ | 1604.5 | 1605 | 1605.5 | nm |
边模抑制比 | SMSR | 30 | 40 | dB | |
阈值电流 | Ith | 20 | 30 | mA | |
工作电流 | Iop | 80 | 120 | mA | |
芯片输出功率 | Pf | 10 | 15 | 30 | mW |
量子效率 | η | 0.08 | 0.12 | mW/mA | |
电流调谐系数 | ∆λ/∆I | 0.015 | nm/mA | ||
温度调谐系数 | ∆λ/∆T | 0.12 | nm/K | ||
正向电压 | Vf | 1.3 | 2 | V | |
热敏电阻阻值 | RT | 9.5 | 10 | 10.5 | KΩ |
热敏电阻温度系数 | -4.4 | %/°C | |||
接头 | FC/APC | ||||
光谱
激光器规格
L-I曲线
光束质量

2D

3D
相机分析
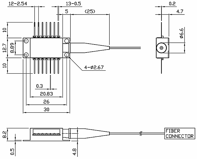
引脚定义
PIN# | 定义 | PIN# | 定义 |
1 | Thermistor | 8 | Case Ground |
2 | Thermistor | 9 | Case Ground |
3 | LD(-) | 10 | N/C |
4 | Detector (+) | 11 | LD(+) |
5 | Detector (-) | 12 | LD (-), RF |
6 | TEC (+) | 13 | LD(+) |
7 | TEC (-) | 14 | N/C |
绝对最大额定参数
项 | 单位 | 最小值 | 典型值 | 最大值 |
外壳温度 | °C | -5 | 25 | 70 |
芯片温度 | °C | +10 | 25 | 40 |
工作电流 | mA | 0 | 100 | 150 |
正向电压 | V | 0.8 | 1.2 | 1.8 |
TEC电流 | A | - | - | 1.2 |
反向电压 (LD) | V | - | - | 2.0 |
反向电压 (PD) | V | - | - | 20 |
CO2
订购信息
PL-DFB-口口口口-☆-A8▽-XX
口口口口: Wavelength
1392:1392nm
1512:1512nm
1567:1567nm
1572:1572nm
****
1605:1605nm
☆:Output Power
A: 10mw
B:20mW
V:Wavelength Tolerance
1: ±lnm
2: 士2nm
XX: Fiber and Connector Type
SA=SMF-28E+FC/APC
SP=SMF-28E+ FC/PC
PP=PM Fiber+ FC/PC
PA=PM Fiber+ FC/APC
无
产品询价
输入您的联系信息,无需登录/注册即可快速询价,请保持电话畅通。
注意:由此处提交的询价单,不会出现在“个人中心”-“我的询价单”列表中。
新品推荐