

硒化铅(PbSe)单通道红外探测器在1至5um光谱范围内进行物质分析时,能提供性能与特性的最佳平衡。其高灵敏度、快速响应时间以及业界领先的可靠性相结合,可确保在任何需要的时间和场合都能提供稳定一致的性能表现。 高灵敏度特性可最大化微量元素检测应用的测量动态范围。本系列产品的快速响应时间能轻松支持实时测量需求,并且卓越的耐用性与长久的使用寿命可显著降低维修维护成本。 本系列产品提供多种标准配置,客户可根据系统与应用需求选择不同组合选项,包括元件尺寸、制冷方案及封装类型。制冷型号可显著提升极弱信号检测的灵敏度,并在温度持续波动的环境中提供更强的稳定性。
产品特点在1-5微米波段具有快速高灵敏度;为宽动态范围测量提供高信噪比性能;为中红外应用提供最快响应速度;高可靠性,使用寿命长;在1-5微米光谱范围内具备最佳综合性能
型号无
应用领域气体分析(一氧化碳、二氧化碳) | 医疗检测 | 工业应用 | 排放监测 | 光谱分析 | 过程控制系统热成像 | 国防与安防
产品单价联系客服询价
到货日期请咨询客服获得货期
产品库存请咨询客服
Sherry
电话:16628709332
邮箱:moli@microphotons.com

无
无

model | part | 规格说明 - 尺寸 | 封装形式 | 有效感光面积(mm²) | 工作温度(°C) | 峰值敏感波长 λp(μm) | D* λp,1000Hz,1Hz(cmHZ1/2W-1) | 黑体 | 响应度1 λp, 1000Hz,35V/mm | 阻值 | 持续时间 | 极限参数 | |||||
非制冷型PbSe封装式红外探测器 | 典型值 | 环境温度 23°C | min. | 典型值 | min. | 典型值 | min. | 典型值 | min. | 典型值 | 范围 | 典型值 | max. | 范围 | |||
MP-CPD-B-X-P-1-0-TO5 | 40785 | 1mm x 1mm | TO5 | 1 | +23 | 3.6 | 3.8 | 1.0x109 | 1.5x1010 | 1.0x108 | 1.5x109 | 1.5x104 | 3.0x104 | 0.1-2.5 | 2 | 5 | -40到+85 |
MP-CPD-B-X-P-4-0-TO5 | 40573 | 2mm x 2mm | TO5 | 4 | 7.5x103 | 1.5x104 | |||||||||||
MP-CPD-B-X-P-9-0-TO5 | 40333 | 3mm x 3mm | TO5 | 9 | 5.0x103 | 1.0x104 | |||||||||||
非制冷型PbSe平板式红外探测器 | 典型值 | 环境温度 23°C | min. | 典型值 | min. | 典型值 | min. | 典型值 | min. | 典型值 | 范围 | 典型值 | max. | 范围 | |||
MP-CPD-B-X-P-1-0-FP | 40042 | 1mm x 1mm | Flat Plate | 1 | +23 | 3.6 | 3.8 | 1.0x109 | 1.5x1010 | 1.0x108 | 1.5x109 | 1.5x104 | 3.0x104 | 0.1-2.5 | 2 | 5 | -40到+85 |
MP-CPD-B-X-P-4-0-FP | 40044 | 2mm x 2mm | Flat Plate | 4 | 7.5x103 | 1.5x104 | |||||||||||
MP-CPD-B-X-P-16-0-FP | 40046 | 4mm x 4mm | Flat Plate | 16 | 3.75x103 | 7.5x103 | |||||||||||
MP-CPD-B-X-P-36-0-FP | 40206 | 6mm x 6mm | Flat Plate | 36 | 6.0x108 | - | 2.5x103 | 5.0x103 | |||||||||
单极制冷型PbSe封装式红外探测器 | 典型值 | 环境温度 25°C | min. | 典型值 | min. | 典型值 | min. | 典型值 | min. | 典型值 | 范围 | 典型值 | max. | 范围 | |||
MP-CPD-B-X-P-4-1-TO8 | 40521 | 2mm x 2mm | TO8 | 4 | -25 | 4 | 4.2 | 1.4x1010 | 2.8x1010 | 1.9x1010 | 3.9x1010 | 2.0x104 | 3.0x104 | 0.5-10.0 | 6 | 12 | -40到+85 |
MP-CPD-B-X-P-9-1-TO37 | 40136 | 3mm x 3mm | TO37 | 9 | 1.3x104 | 2.0x104 | |||||||||||
双极制冷型PbSe封装式红外探测器 | 典型值 | 环境温度 25°C | min. | 典型值 | min. | 典型值 | min. | 典型值 | min. | 典型值 | 范围 | 典型值 | max. | 范围 | |||
MP-CPD-B-X-P-1-2-TO37 | 40065 | 1mm x 1mm | TO37 | 1 | -30 | 4.1 | 4.3 | 2.4x1010 | - | 2.2x109 | 4.2x109 | 1.2x104 | - | 0.6-15.0 | 8 | 14 | -40到+85 |
MP-CPD-B-X-P-4-2-TO37 | 40587 | 2mm x 2mm | TO37 | 4 | -30 | 1.8x1010 | - | 3.0x104 | - | ||||||||
MP-CPD-B-X-P-9-2-TO37 | 40071 | 3mm x 3mm | TO37 | 9 | -30 | 1.6x1010 | - | 2.2x104 | - | ||||||||
MP-CPD-B-X-P-4-2-TO8 | 40070 | 2mm x 2mm | TO8 | 4 | -30 | 1.7x1010 | 5.5x104 | - | |||||||||
MP-CPD-B-X-P-4-2-TO8 | 40186 | 2mm x 2mm | TO8 | 4 | -45 | 4.3 | 4.5 | 2.0x1010 | 3.5x1010 | 2.9x109 | 5.2x109 | 5.0x104 | 7.5x104 | 1.0-20.0 | 12 | 25 | |
MP-CPD-B-X-P-9-2-TO8 | 40203 | 3mm x 3mm | TO8 | 9 | -45 | 3.3x104 | 5.0x104 | ||||||||||
MP-CPD-B-X-P-36-2-TO8 | 40076 | 6mm x 6mm | TO8 | 36 | -25 | 1.5x1010 | 1.65x104 | 2.5x104 | |||||||||
1.所列规格适用于探测器两端直接施加35V偏置电压,并串联1MΩ或0.5MΩ负载电阻的工作条件
2.规格参数基于加装散热片在+25°C环境温度下的最大制冷状态测定。典型最大制冷功率:EXT型0.8V@1.5A,BXT型2.0V@1.2A,BX2S型1.0V@1.2A
3.元件最高额定工作温度为85°C
探测器光谱响应

偏置电压

TO5封装
40333

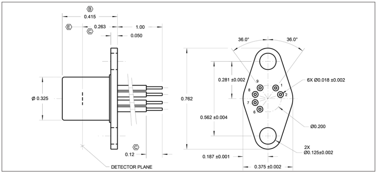
封装与引脚定义说明
Pin No. | Function |
1 | Detector |
2 | Detector/Gnd |
40573

Pin No. | Function | Color |
1 | Detector | Bare |
2 | Detector/Gnd | Bare |
3 | Detector | Bare |
40785

Pin No. | Function |
1 | Detector |
2 | Detector/Gnd |
3 | Detector |
TO8 封装
40070

Pin No. | Function |
1 | Cooler(-) |
4 | Cooler(+) |
9 | Detector |
10 | Thermistor |
11 | Thermistor |
12 | Detector |
40076,40186,40203
Pin No. | Function |
1 | Cooler(-) |
4 | Cooler(+) |
9 | Detector |
10 | Thermistor |
11 | Thermistor |
12 | Detector |
40521

Pin No. | Function |
1 | Cooler(-) |
4 | Cooler(+) |
9 | Detector |
10 | Thermistor |
11 | Thermistor |
12 | Detector |
TO37 封装
40065

Pin No. | Function |
1 | Cooler(-) |
4 | Cooler(+) |
9 | Detector |
10 | Thermistor |
11 | Thermistor |
12 | Detector |
40071

Pin No. | Function |
1 | Thermistor |
2 | Thermistor |
6 | Detector |
7 | Detector |
8 | Cooler(-) |
9 | Cooler(+) |
40136

Pin No. | Function |
1 | Thermistor |
2 | Thermistor |
6 | Detector |
7 | Detector |
8 | Cooler(-) |
9 | Cooler(+) |
40587

Pin No. | Function |
1 | (Removed) |
2 | (Removed) |
6 | Detector |
7 | Detector |
8 | Cooler(-) |
9 | Cooler(+) |
平板式封装
40042

40044

40046

40206

无
产品询价
输入您的联系信息,无需登录/注册即可快速询价,请保持电话畅通。
注意:由此处提交的询价单,不会出现在“个人中心”-“我的询价单”列表中。
新品推荐