

MP-PVI-B-3TE-4-1-TO8 与 MP-PVI-B-3TE-4-1-TO66 是基于 HgCdTe 异质结的三级热电制冷(3TE)光伏型红外探测器,旨在实现最佳性能与稳定性,并采用光学浸入技术以提升各项参数。其特定波长(λspec)为 4.0 µm,光学接收面(Ao)尺寸为 1 mm × 1 mm。可根据需求优化起始波长(λcut-on)。施加反向偏压(Vb)可显著提升响应速度与动态范围,虽然这有助于增强高频性能,但需注意偏压探测器产生的 1/f 噪声可能导致低频性能下降。该探测器提供带 3° 楔形蓝宝石窗口(wAl2O3)的 TO8 和 TO66 封装,以防止不必要的干涉效应。
产品特点光谱范围: 2.3-4.4um;背照式;三级热电制冷;独特的浸入式透镜技术应用;无1/f噪声;无偏压需求
型号MP-PVI-B-3TE-4-1-TO8/TO66
应用领域气体检测、监测与分析:CH₄, C₂H₂, CH2O, HCl, NH₃, SO₂, C₂H₆, CO₂ | 呼吸气体分析:C₂H₆, CH2O, NH₃ | 爆炸预防 | 排放控制(尾气、温室气体) | 废气脱硝 | 非接触式温度测量(金属工业)
产品单价联系客服询价
到货日期请咨询客服获得货期
产品库存请咨询客服
Sherry
电话:16628709332
邮箱:moli@microphotons.com

起始波长 峰值波长
2.3um 3.6±0.1um

探测器配置
型号 | MP-PVI-B-3TE-4-1-TO8 | MP-PCI-B-3TE-4-1-TO66 |
类型 | 光伏型 | |
探测材料 | 碲镉汞(HgCdTe)异质结外延材料 | |
制冷 | 三级热电制冷(芯片温度≅210 K) | |
温度传感器 | 热敏电阻 | |
有效面积,Ao | 1 mm x 1 mm | |
光学浸入 | 超半球浸入 | |
封装形式 | 3TE-TO8 | 3TE-TO66 |
接收角 | ~36° | |
窗口 | wAl2O3 (3度楔形蓝宝石窗口) | |
参数(Tamb=293K,Tchip=230K,Vb=0V)
参数 | 最小值 | 典型值 | 最大值 | 单位 |
起始波长,λcut-on (10%) | - | 2.3 | - | um |
峰值波长,λpeak | - | 3.6±0.1 | - | um |
特定波长,λspec | - | 4.0 | - | um |
截止波长,λcut-off (10%) | - | 4.4 | - | um |
探测率,D* (λpeak, 20 kHz) | - | 5.5x1011 | - | cm·Hz1/2/W |
探测率,D* (λspec, 20 kHz) | 3.0x1011 | 3.5x1011 | - | cm·Hz1/2/W |
电流响应率,Ri (λpeak) | - | 1.8 | - | A/W |
电流响应率,Ri (λspec) | 1.0 | 1.3 | - | A/W |
时间常数,τ | - | 100 | - | ns |
动态电阻,Rd | 60 | 150 | - | kΩ |
光谱响应(Tamb=293K)


推荐使用的放大器
探测器型号 | 放大器型号 |
MP-PVI-B-4-1-TO39 | MP-SIP-TO39系列 |
MP-PVI-2TE-4-1-TO8 MP-PVI-3TE-4-1-TO8 MP-PVI-4TE-4-1-TO8 | MP-AIP系列 MP-PIP系列 MP-MIP系列 MP-SIP-TO8系列 MP-FIP系列 |
*仅针对施加偏置的探测器
绝对最大额定值
参数 | 测试条件,备注 | 值 | 单位 |
环境工作温度, Tamb | 环境温度 Tamb >30°C时,操作可能会导致活性元件温度升高,并降低探测器的性能,使其低于规定的参数 | -20~30 | ℃ |
存储温度, Tstg | -20~50 | ℃ | |
焊接温度 | 不超过5℃ | ≤300 | ℃ |
存储湿度 | 无露水凝结 | 10~90 | % |
最大入射光功率密度 | 连续波(CW)或单脉冲(脉冲持续时间大于1us) | 2.5 | W/cm2 |
单脉冲(脉冲持续时间小于1us) | 10 | kW/cm2 | |
最大偏置电压, Vb max | -800 | mV | |
最大TEC 电压, VTEC max | 2TE | 1.0 | V |
3TE | 3.6 | ||
4TE | 8.3 | ||
最大TEC 电流, ITEC max | 2TE | 1.2 | A |
3TE | 0.45 | ||
4TE | 0.4 |
超出"绝对最大额定值"所列范围的应力可能导致器件永久性损坏。持续或反复暴露在绝对最大额定值条件下,可能会影响器件的质量与可靠性。
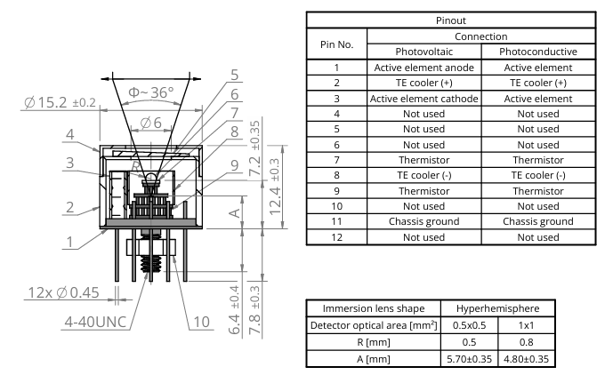
机械结构与引脚定义
TO8(12pin)


Φ-Accecptance angle
A - Distance from the bottom of the TO8 header to the focal plane
10 | 4-40 UNC A2 nut | Stainless steel |
9 | Thermoeletric cooler | |
8 | Anticonvection carrier | POM |
7 | Active element carrier | Sapphire/Silicon |
6 | Active element | HgCdTe/InAs/InAsSb/GaAs |
5 | Window | Al2O3/ZnSe AR |
4 | Detector cap | Stainless steel |
3 | Humidity absorber container | Stainless steel |
2 | Detector case | Stainless steel |
1 | TO8 header | Gold plated Kovar |
No. | Name | Material |
TO66(9pin)




Φ-Accecptance angle
9 | Thermoeletric cooler | |
8 | Humidity absorber container | Stainless steel |
7 | Anticonvection carrier | POM |
6 | Active element carrier | Sapphire/Silicon |
5 | Active element | HgCdTe/InAs/InAsSb/GaAs |
4 | Window | Al2O3/ZnSe AR |
3 | Detector cap | Stainless steel |
2 | Detector case | Stainless steel |
1 | TO66 header | Gold plated Kovar |
No. | Name | Material |
无
产品询价
输入您的联系信息,无需登录/注册即可快速询价,请保持电话畅通。
注意:由此处提交的询价单,不会出现在“个人中心”-“我的询价单”列表中。
新品推荐