

MP-PV-B-2TE-6-0.1-TO8和MP-PV-B-2TE-6-0.1-TO66是基于HgCdTe异质结的两级热电冷却(2TE)光伏红外探测器,以实现最佳性能和稳定性。它们的比波长(λspec)为6.0微米,其活性面积(A)为0.1mm×0.1mm。切断波长(λspec)可根据要求进行优化。应用反向偏置(Vb)可能显著提升响应速度和动态范围。虽然这能提升高频性能,但需要注意,偏置检测器中出现的1/f噪声可能会降低低频性能。探测器有TO8和TO66封装,配备3度楔形锌硒化物防反射涂层窗(wZnSeAR),以防止不必要的干扰效应。
产品特点光谱范围: 2.6 to 6.8 µm;背照式;双级热电冷却;无需偏置;无1/f噪声
型号MP-PV-B-2TE-6-0.1-TO8/TO66
应用领域气体检测、监测与分析:CH4、C2H2、CH2O、HCl、NH3、SO2、C2H6、CO、CO2、NOx、SOx、HNO3 | 废气脱硝化 | 燃烧过程控制 | 非接触式温度测量:铁路运输、工业和实验室过程监测 | 热寻迹,热特征检测 | 无损材料检测 | 生化分析 | 激光校准
产品单价联系客服询价
到货日期请咨询客服获得货期
产品库存请咨询客服
Sherry
电话:16628709332
邮箱:moli@microphotons.com

起始波长 峰值波长
2.6um 5.2±0.2um

探测器配置
型号 | MP-PV-B-2TE-6-0.1-TO8 | MP-PV-B-2TE-6-0.1-TO66 |
类型 | 光伏型 | |
探测材料 | 碲镉汞(HgCdTe)异质结外延材料 | |
制冷 | 两级热电制冷(芯片温度≅230 K) | |
温度传感器 | 热敏电阻 | |
有效面积,A | 0.1 mm x 0.1 mm | |
光学浸入 | 无 | |
封装形式 | 2TE-TO8 | 2TE-TO66 |
接收角 | ~70° | |
窗口 | wZnSeAR(3度楔形锌硒化物,防反射涂层) | |
参数(Tamb=293K,Tchip=230K,Vb=0V)
参数 | 最小值 | 典型值 | 最大值 | 单位 |
起始波长, λcut-on (10%) | - | 2.6 | - | um |
峰值波长,λpeak | - | 5.2±0.2 | - | um |
特定波长,λspec | - | 6.0 | - | um |
截止波长,λcut-off (10%) | - | 6.8 | - | um |
探测率,D* (λpeak, 20 kHz) | - | 8.0x109 | - | cm·Hz1/2/W |
探测率,D* (λspec, 20 kHz) | 3.0x109 | 6.0x109 | - | cm·Hz1/2/W |
电流响应率,Ri (λpeak) | - | 2.5 | - | A/W |
电流响应率,Ri (λspec) | 1.3 | 1.8 | - | A/W |
时间常数,τ | - | 50 | - | ns |
动态电阻,Rd | 0.3 | 1 | - | kΩ |
光谱响应(Tamb=293K)


推荐使用的放大器
探测器型号 | 放大器型号 |
MP-PV-B-2TE-6-0.1-TO8/TO66 | MP-AIP系列 MP-PIP系列 MP-MIP系列 MP-SIP-TO8系列 MP-FIP系列 |
MP-PV-B-4TE-6-0.1-TO8/TO66 |
*仅针对施加偏置的探测器
绝对最大额定值
参数 | 测试条件,备注 | 值 | 单位 |
环境工作温度, Tamb | 环境温度 Tamb >30°C时,操作可能会导致活性元件温度升高,并降低探测器的性能,使其低于规定的参数 | -20~30 | ℃ |
存储温度, Tstg | -20~50 | ℃ | |
焊接温度 | 不超过5℃ | ≤300 | ℃ |
存储湿度 | 无露水凝结 | 10~90 | % |
最大入射光功率密度 | 连续波(CW)或单脉冲(脉冲持续时间大于1us) | 100 | W/cm2 |
单脉冲(脉冲持续时间小于1us) | 1 | MW/cm2 | |
最大偏置电压, Vb max | -800 | mV | |
最大TEC 电压, VTEC max | 2TE | 1.0 | V |
4TE | 8.3 | ||
最大TEC 电流, ITEC max | 2TE | 1.2 | A |
4TE | 0.4 |
超出"绝对最大额定值"所列范围的应力可能导致器件永久性损坏。持续或反复暴露在绝对最大额定值条件下,可能会影响器件的质量与可靠性。
机械结构与引脚定义
TO8(12pin)

Φ-Accecptance angle
9 | 4-40 UNC A2 nut | Stainless steel |
8 | Thermoeletric cooler | |
7 | Active element carrier | Sapphire/Silicon |
6 | Active element | HgCdTe/InAs/InAsSb/GaAs |
5 | Window | Al2O3/ZnSe AR |
4 | Detector cap | Stainless steel |
3 | Humidity absorber container | Stainless steel |
2 | Detector case | Stainless steel |
1 | TO8 header | Gold plated Kovar |
No. | Name | Material |
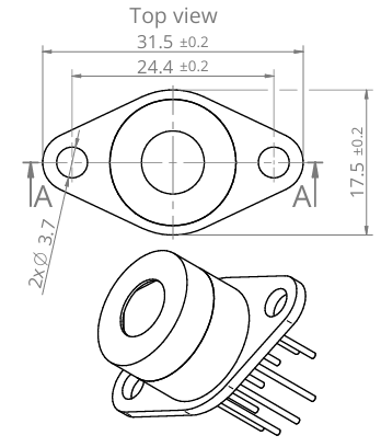
TO66(9pin)


Φ-Accecptance angle
8 | Thermoeletric cooler | |
7 | Humidity absorber container | Stainless steel |
6 | Active element carrier | Sapphire/Silicon |
5 | Active element | HgCdTe/InGaAs/InAsSb/GaAs |
4 | Window | Al2O3/ZnSe AR |
3 | Detector cap | Stainless steel |
2 | Detector case | Stainless steel |
1 | TO66 header | Gold plated Kovar |
No. | Name | Material |
无
产品询价
输入您的联系信息,无需登录/注册即可快速询价,请保持电话畅通。
注意:由此处提交的询价单,不会出现在“个人中心”-“我的询价单”列表中。
新品推荐