

MP-PCI-B-4TE-14-1-TO8 与 MP-PCI-B-4TE-14-1-TO66 是基于HgCdTe异质结的四级热电制冷(4TE)光电导型红外探测器,旨在实现最佳性能与稳定性,并采用光学浸入技术以提升各项参数。其特定波长(λspec)为14.0 µm,光学接收面(Ao)尺寸为1 mm × 1 mm。探测器应在最佳偏置电压(Vb)和电流读出模式下工作。由于1/f噪声的存在,其在低频段的性能会有所降低。该探测器提供带3°楔形镀增透膜硒化锌窗口(wZnSeAR)的TO8和TO66封装,以防止不必要的干涉效应。
产品特点光谱范围: 超过15.0 µm;背照式;四级热电制冷;独特的浸入式透镜技术应用
型号MP-PCI-B-4TE-14-1-TO8/TO66
应用领域FTIR 光谱分析 | 气体检测、监测与分析:CH3Cl, C₂H₂ | 有毒气体检测
产品单价联系客服询价
到货日期请咨询客服获得货期
产品库存请咨询客服
Sherry
电话:16628709332
邮箱:moli@microphotons.com

峰值波长
11.2±0.6um

探测器配置
型号 | MP-PCI-B-4TE-14-1-TO8 | MP-PCI-B-4TE-14-1-TO66 |
类型 | 光导型 | |
探测材料 | 碲镉汞(HgCdTe)异质结外延材料 | |
制冷 | 四级热电制冷(芯片温度≅200 K) | |
温度传感器 | 热敏电阻 | |
有效面积,Ao | 1 mm x 1 mm | |
光学浸入 | 超半球浸入 | |
封装形式 | 4TE-TO8 | 4TE-TO66 |
接收角 | ~36° | |
窗口 | wZnSeAR(3° 楔形硒化锌,增透膜) | |
参数(Tamb=293K,Tchip=200K,Vb=0.5V)
参数 | 最小值 | 典型值 | 最大值 | 单位 |
峰值波长,λpeak | - | 11.2±0.6 | - | um |
特定波长,λspec | - | 14.0 | - | um |
截止波长,λcut-off (10%) | - | 15.0 | - | um |
探测率,D* (λpeak, 20 kHz) | - | 1.7x109 | - | cm·Hz1/2/W |
探测率,D* (λspec, 20 kHz) | 1.0x109 | 1.2x109 | - | cm·Hz1/2/W |
电流响应率,Ri (λpeak) | - | 0.8 | - | A/W |
电流响应率,Ri (λspec) | 0.2 | 0.4 | - | A/W |
时间常数,τ | - | 5 | - | us |
电阻,Rd | - | - | 250 | Ω |
偏置电压,Vb | - | 0.5 | - | V |
1/f拐点频率,fc | - | 20 | - | kHz |
光谱响应(Tamb=293K)


推荐使用的放大器
探测器型号 | 放大器型号 |
MP-PCI-B-4TE-14-1-TO8 | MP-AIP系列 |
MP-PIP系列 | |
MP-MIP系列 | |
MP-SIP-TO8系列 |
绝对最大额定值
参数 | 测试条件,备注 | 值 | 单位 |
环境工作温度, Tamb | 环境温度 Tamb >30°C时,操作可能会导致活性元件温度升高,并降低探测器的性能,使其低于规定的参数 | -20~30 | ℃ |
存储温度, Tstg | -20~50 | ℃ | |
焊接温度 | 不超过5℃ | ≤300 | ℃ |
存储湿度 | 无露水凝结 | 10~90 | % |
最大入射光功率密度 | 连续波(CW)或单脉冲(脉冲持续时间大于1us) | 2.5 | W/cm2 |
单脉冲(脉冲持续时间小于1us) | 10 | kW/cm2 | |
最大偏置电压, Vb max | 1.5 | V | |
最大TEC 电压, VTEC max | 4TE | 8.3 | V |
最大TEC 电流, ITEC max | 4TE | 0.4 | A |
超出"绝对最大额定值"所列范围的应力可能导致器件永久性损坏。持续或反复暴露在绝对最大额定值条件下,可能会影响器件的质量与可靠性。
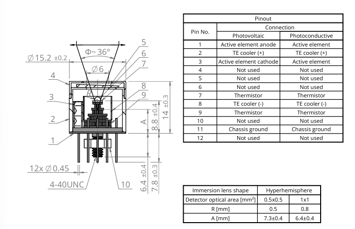
机械结构与引脚定义
TO8(12pin)


Φ-Accecptance angle
A - Distance from the bottom of the TO8 header to the focal plane
10 | 4-40 UNC A2 nut | Stainless steel |
9 | Thermoeletric cooler | |
8 | Anticonvenction carrier | POM |
7 | Active element carrier | Sapphire/Silicon |
6 | Active element | HgCdTe/InAs/InAsSb/GaAs |
5 | Window | Al2O3/ZnSe AR |
4 | Detector cap | Stainless steel |
3 | Humidity absorber container | Stainless steel |
2 | Detector case | Stainless steel |
1 | TO8 header | Gold plated Kovar |
No. | Name | Material |
TO66(9pin)




Φ-Accecptance angle
9 | Thermoeletric cooler | |
8 | Humidity absorber container | Stainless steel |
7 | Anticonvenction carrier | POM |
6 | Active element carrier | Sapphire/Silicon |
5 | Active element | HgCdTe/InAs/InAsSb/GaAs |
4 | Window | Al2O3/ZnSe AR |
3 | Detector cap | Stainless steel |
2 | Detector case | Stainless steel |
1 | TO66 header | Gold plated Kovar |
No. | Name | Material |
无
产品询价
输入您的联系信息,无需登录/注册即可快速询价,请保持电话畅通。
注意:由此处提交的询价单,不会出现在“个人中心”-“我的询价单”列表中。
新品推荐