

MIP 系列是一款中等尺寸的跨阻放大器,支持直流或交流耦合。其设计既兼容带偏置的红外探测器,也适用于无偏置探测器。该放大器内置风扇,无需任何外部附加散热器。它是最用户友好的放大器之一,能够有效简化工作流程。
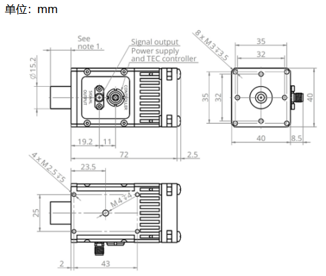
产品特点兼容 TO8 封装的热电制冷红外探测器;频率带宽:最高 250 MHz;支持交流或直流耦合;兼容各类光学配件;配备 M4 安装孔;高效散热设计;内置风扇
型号MP-MIP
应用领域环境与气体监测 | 工业制造与监控 | 安全与科研
产品单价联系客服询价
到货日期请咨询客服获得货期
产品库存请咨询客服
Sherry
电话:16628709332
邮箱:moli@microphotons.com

跨阻增益 输出阻抗
up to 200kV/A(固定) 50Ω

包含配件:
1根SMA-BNC线缆
1根LEMO-DB9或LEMO-DUBOX2x5线缆
参数(Tamb=293K)
参数 | 条件/备注 | 值 | 单位 |
低截止频率, flo | DC, 10, 100, 1k, 10k | Hz | |
高截止频率, fhi | 100k, 1M, 10M, 100M, 250M | Hz | |
跨阻增益, Ki | 固定 | up to 200 | kV/A |
输出阻抗,Rout | 50 | Ω | |
输出电压摆幅, Vout | fhi≤1 MHz, 负载电阻=1MΩ fhi>1 MHz, 负载电阻=50Ω | ±10 ±1 | V |
输出电压偏置, Voff | max. ±20 | mV | |
供电电压Vsup | fhi≤1 MHz, 负载电阻=1MΩ fhi>1 MHz, 负载电阻=50Ω | ±15 ±9 | V |
供电电流Isup | max.±50 | mA | |
TEC电压, VTEC | 适配2TE制冷探测器 | max. 1.0 | V |
适配3TE制冷探测器 | max. 3.6 | ||
适配4TE制冷探测器 | max. 8.3 | ||
TEC电流, ITEC | 适配2TE制冷探测器 | max. 1.2 | A |
适配3TE制冷探测器 | max. 0.45 | ||
适配4TE制冷探测器 | max. 0.4 | ||
风扇功耗, Pfan | max.900 | mW | |
重量 | 180 | g |
绝对最大值:
参数 | 测试条件/备注 | 值 | 单位 |
环境工作温度, Tamb | 10~30 | ℃ | |
储存温度, Tstg | -20~50 | ℃ | |
湿度 | 无结露 | 10~90 | % |
超出绝对最大额定值所列的应力可能会对器件造成永久性损坏。长期或反复暴露在绝对最大额定值条件下可能会影响器件的质量和可靠性。
编码描述:
类型 | flo, Hz | fhi, Hz |
MP-MIP | DC 10 100 1k 10k | 100k 1M 10M 100M 250M |
电路原理图
电源、TEC制冷器、热敏电阻和风扇插座引脚
Pin No. | Symbol | Function |
1 | FAN+ | Fan supply input(+) |
2 | TH2 | Thermistor output(2) |
3 | TEC- | TEC supply input(-) |
4 | -Vsup | Power supply input(-) |
5 | GND | Ground |
6 | +Vsup | Power supply input |
7 | TEC+ | TEC supply input(+) |
8 | TH1 | Thermistor output(1) |
9 | DATA | Data |
无
产品询价
输入您的联系信息,无需登录/注册即可快速询价,请保持电话畅通。
注意:由此处提交的询价单,不会出现在“个人中心”-“我的询价单”列表中。
新品推荐