

PIP系列是一款可编程跨阻放大器。凭借其先进的内部配置,该系列产品在提供卓越信号参数和高可靠性的同时,兼具极高的使用灵活性。内置的电压监测器使用户能够查看并优化工作条件(如供电电压、探测器偏置电压、第一级和最后一级的输出电压偏置等)。
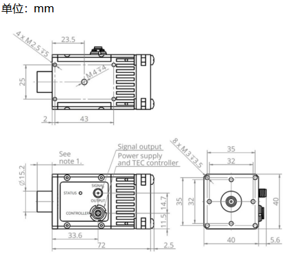
产品特点兼容TO8封装的热电制冷红外探测器;频率带宽:高达20 MHz (MP-PIP-UC-LS),高达200 MHz (MP-PIP-UC-HS);支持交流或直流耦合;兼容各类光学配件;配备M4安装孔;专为高效散热而设计;必须配合VIGO TEC控制器使用;功能多样,使用灵活
型号MP-PIP
应用领域科研与实验平台 | 弱信号检测 | 多参数测试系统 | 系统集成与开发
产品单价联系客服询价
到货日期请咨询客服获得货期
产品库存请咨询客服
Sherry
电话:16628709332
邮箱:moli@microphotons.com

跨阻增益 输出阻抗
2.5-150kV/A(40dB范围内数字调节) 50Ω

可选项:
增益:在 40 dB 范围内可调
带宽:150 kHz / 1.5 MHz / 20 MHz (MP-PIP-UC-LS);1.5 MHz / 15 MHz / 200 MHz (MP-PIP-UC-HS )
耦合方式:交流 / 直流
探测器参数:温度、反向偏置电压
输出电压偏置
包含配件:
2根SMA-BNC线缆
1根LEMO-DB9或LEMO-DUBOX2x5线缆
参数(Tamb=293K)
参数 | 条件/备注 | 值 | 单位 |
低截止频率, flo | DC耦合选项 | 0 | Hz |
AC耦合选项 | 10 | Hz | |
高截止频率, fhi-H | 高带宽选项 | 20*)/200**) | Hz |
高截止频率, fhi-M | 中带宽选项 | 1.5*)/15**) | Hz |
高截止频率, fhi-L | 低带宽选项 | 0.15*)/1.5**) | Hz |
跨阻增益, Ki | 40dB范围内数字调节 | 2.5-150 | kV/A |
输出阻抗,Rout | 50 | Ω | |
输出电压摆幅, Vout | 负载电阻=50Ω | ±1 | V |
输出电压偏置, Voff | 默认设置 | max. ±20 | mV |
供电电压Vsup | ±9 | V | |
供电电流Isup | max.±100 | mA | |
TEC电压, VTEC | 适配2TE制冷探测器 | max. 1.0 | V |
适配3TE制冷探测器 | max. 3.6 | ||
适配4TE制冷探测器 | max. 8.3 | ||
TEC电流, ITEC | 适配2TE制冷探测器 | max. 1.2 | A |
适配3TE制冷探测器 | max. 0.45 | ||
适配4TE制冷探测器 | max. 0.4 | ||
风扇功耗, Pfan | max.900 | mW | |
重量 | 180 | g |
*)PIP-UC-LS
*)PIP-UC-HS
绝对最大值:
参数 | 测试条件/备注 | 值 | 单位 |
环境工作温度, Tamb | 10~30 | ℃ | |
储存温度, Tstg | -20~50 | ℃ | |
湿度 | 无结露 | 10~90 | % |
超出绝对最大额定值所列的应力可能会对器件造成永久性损坏。长期或反复暴露在绝对最大额定值条件下可能会影响器件的质量和可靠性。
编码描述:
类型 | flo, Hz | fhi, Hz |
MP-PIP | UC*) (DC/10Hz) | LS*)(150kHz/1.5MHz/20MHz) |
HS*)(1.5MHz/15MHz/200MHz) |
电路原理图
无
产品询价
输入您的联系信息,无需登录/注册即可快速询价,请保持电话畅通。
注意:由此处提交的询价单,不会出现在“个人中心”-“我的询价单”列表中。
新品推荐